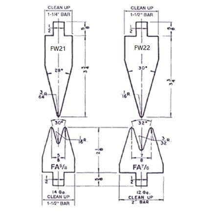
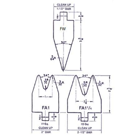
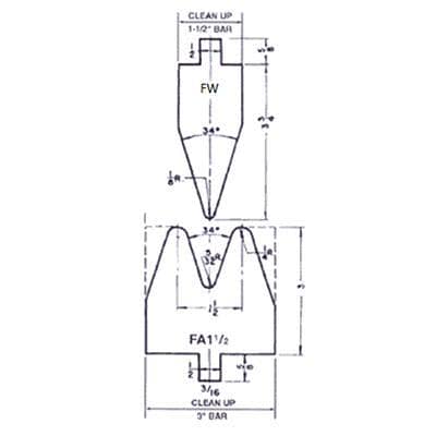
Acute Forming Punches and Die Sets, Amada Press Brake Tooling
Need specific tooling that’s not listed? Leave your contact details, and our experts will assist you with a customized technical solution, at no additional cost.
Need specific tooling that’s not listed? Leave your contact details, and our experts will assist you with a customized technical solution, at no additional cost.
With nearly 20 years of experience, Maanshan Fangwei Press Brake Tooling Co. delivers premium press brake tooling, shear blades, and custom solutions for major brands like Trumpf, Amada, LVD, Bystronic, and more. Our advanced CNC milling, grinding, and laser hardening ensure high precision, durability, and tailored modifications. With a large inventory and shortened production cycles, we provide fast, reliable supply worldwide. Trusted by sheet metal fabricators across Southeast Asia, the Middle East, and Europe, Fangwei combines quality, customization, and service to meet the exact needs of professionals in the metalworking industry.
Shear blades are used to apply shear force to metal sheets in a variety of sizes, so that sheets are cut to the required size.