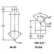
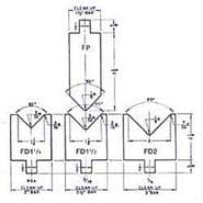
Precision Planed Press Brake Tooling (Conventional Tooling)
Fangwei carries out each processing step with a strict attention to quality, from receipt of the design drawing, all the way to blanking, forging, and forming of press brake tools. We satisfy a variety of design and production requirements for customers, including hole diameter, bending angle, tool shape and more.
Multiple premium materials are available, such as 42CrMo, 55SiCr. Because the hardness of press brake tools made from different materials varies, Fangwei will choose the best cost effective material based on the customer’s processing requirements and budget.
After the press brake tool is formed, each tool will be utilized on the press brake to determine if it is qualified. We have made press brake tools for countless clients, with each tool identified using a specific serial number. Shown below are a few standard tools, allowing customers to find the right press brake tool they need by the serial number. Users can also send us a design drawing or specifications, and we will carry out design and production processes.
As a press brake tooling solutions provider, Fangwei is committed to providing premium press brake tooling for sheet metal professionals all over the world. We offer an extensive selection of press brake tooling, shear blades, and other special tools used in press brakes and shears from major brands like LVD, Trumpf, Amada, Axial, Baykal, Boschert, Bystronic, Edward Pearson, Ermaksan, Femas, Fratelli Farina, GADE, Hammerle, Hesse, Hezinger, etc. As an experienced press brake tooling manufacturer, we can manufacture standard press brake tooling according to the relevant specifications of your press brake machines and shears. Upon request, custom production service is also available. Our advanced manufacturing equipment guarantees the preciseness of tools production processes from material feeding, forging, forming to polishing. Due to high quality, our products are highly praised by many sheet metal fabricators.



















