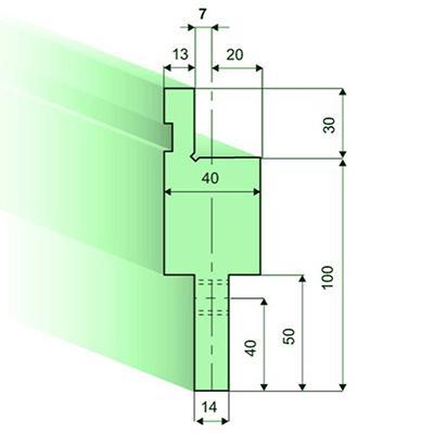
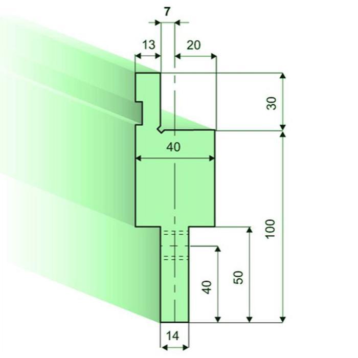
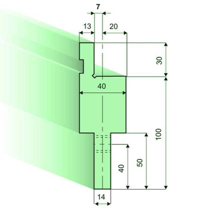
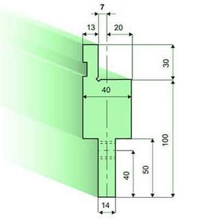
Punch/top-tool distance pieces, Amada Press Brake Tooling
Need specific tooling that’s not listed? Leave your contact details, and our experts will assist you with a customized technical solution, at no additional cost.
-
InquiryF 50.671(1000KN/m Max) Length Weight 150mm 3.6KG -
InquiryF 50.959(1000KN/m Max) Length Weight 150mm 1.8KG -
InquiryF 50.500(1000KN/m Max) Length Weight 200mm 16.5KG -
InquiryF 50.501(1000KN/m Max) Length Weight 200mm 16.5KG






