20° Dies, H=86mm, Amada Press Brake Tooling
Need specific tooling that’s not listed? Leave your contact details, and our experts will assist you with a customized technical solution, at no additional cost.
-
Inquiry
F 31.006 (F=350KN/m Max) Radius 2mm Length Weight Width 14mm Material Thickness 0.5mm-1.25mm Standard Length100mm 1.71KG Standard Length500mm 8.55KG -
Inquiry
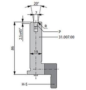
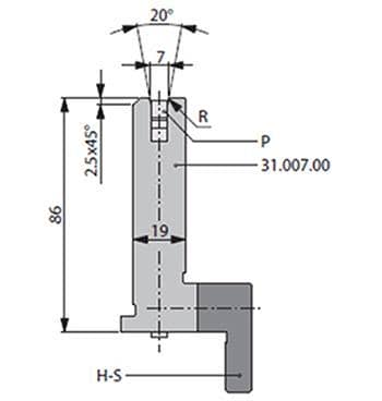
F 31.007 (F=500KN/m Max) Radius 1mm Length Weight Width 19mm Material Thickness 0.5mm-1.5mm Standard Length100mm 1.87KG Standard Length500mm 9.35KG -
Inquiry
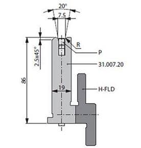
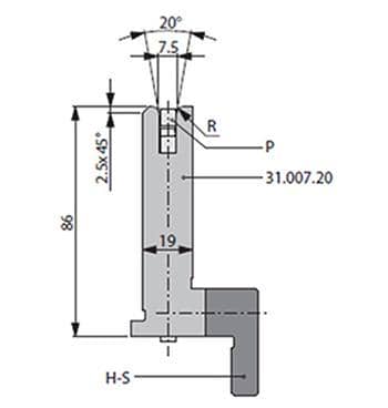
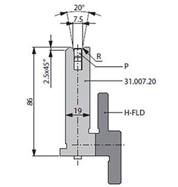
F 31.007.20 (F=500KN/m Max) Radius 2.5mm Length Weight Width 19mm Material Thickness 0.5mm-1.5mm Standard Length100mm 1.86KG Standard Length500mm 9.3KG -
Inquiry
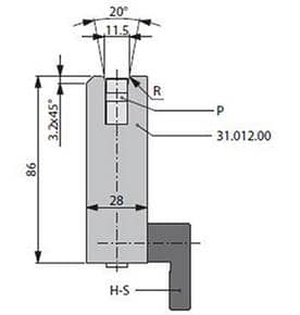
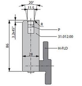
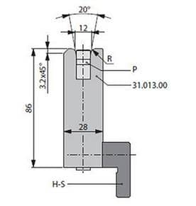
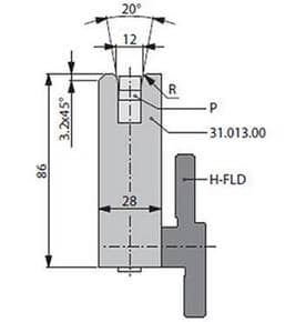
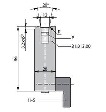
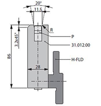
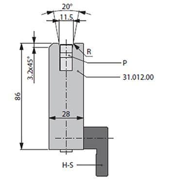
F 31.012 (F=500KN/m Max) Radius 1.5mm Length Weight Width 28mm Material Thickness 0.7mm-3.0mm Standard Length100mm 2.39KG Standard Length500mm 11.95KG -
Inquiry
F 31.013(F=500KN/m Max) Radius 3mm Length Weight Width 28mm Material Thickness 0.7mm-3.0mm Standard Length100mm 2.40KG Standard Length500mm 12.00KG
















