70° Dies, H=120mm, Amada Press Brake Tooling
Need specific tooling that’s not listed? Leave your contact details, and our experts will assist you with a customized technical solution, at no additional cost.
-
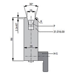
F 31.090.10(F=1500KN/m Max) Radius 8mm Length Weight Width 122mm Material Thickness 5.0mm-12.0mm Standard Length100mm 8.80KG Standard Length200mm 17.60KG







