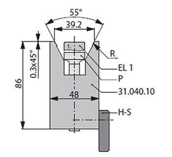
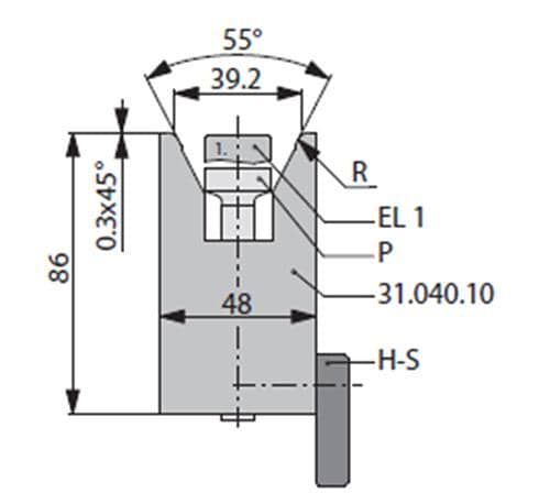
60° Dies, H=86mm, Amada Press Brake Tooling
Need specific tooling that’s not listed? Leave your contact details, and our experts will assist you with a customized technical solution, at no additional cost.
-
F 31.090.10(F=1500KN/m Max) Radius 8mm Length Weight Width 75mm Material Thickness 4.0mm-10.0mm Standard Length100mm 4.06KG Standard Length500mm 14.75KG







